找回密码 注册 QQ登录
开思网工业级高精度在线3D打印服务

iCAx开思网

iCAx开思网 首页 教程 CATIA教程 草绘功能教程 查看内容

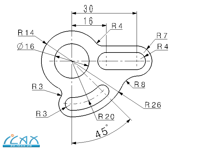
[第二章 草绘功能] 2.8 草图练习

2011-7-30 15:27| 查看: 62577| 评论: 3|原作者: biiby|来自: 开思网

规则形状插入练习

12
11

赞一下!

刚表态过的朋友 (11 人)

3D打印手板模型快速制作服务,在线报价下单!

QQ 咨询|手机版|联系我们|iCAx开思网 ( 粤ICP备2025491344号-1

GMT+8, 2025-12-27 18:52 , Processed in 0.057294 second(s), 10 queries , Gzip On, Redis On.

Powered by Discuz! X3.3

© 2002-2025 www.iCAx.org

返回顶部