三维建模
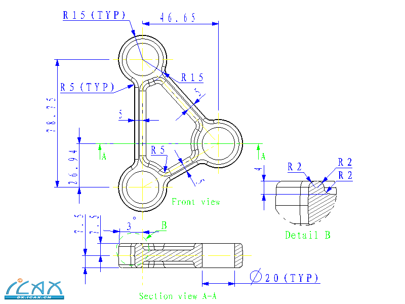
3.92 三维建模 按照图纸尺寸三维建模,不涉及到曲面模块,敬请统一用零件模块完成。(注:具体的细节图纸请到相应的讨论版下载) (Part_1) (Part_2) (Part_3) (Part_4) (Part_5) |
QQ 咨询|手机版|联系我们|iCAx开思网
( 粤ICP备2025491344号-1 ) 
GMT+8, 2025-12-28 10:39 , Processed in 0.041082 second(s), 11 queries , Gzip On, Redis On.
Powered by Discuz! X3.3
© 2002-2025 www.iCAx.org