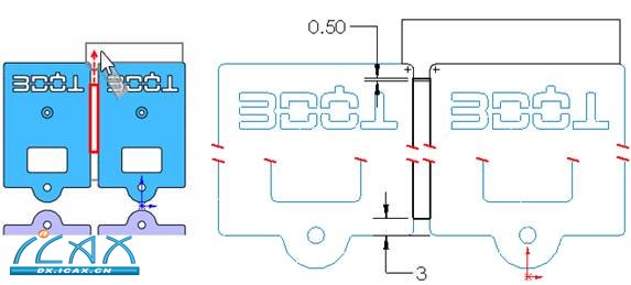
创建切料冲头
3. 拖动直线至上图所示的位置。 4. 标注相应的寸法后完成退出草图。 5. RMB切料冲头选择应用于第2工步。 6. 重复第1步将创建的矩形切料冲头应用于合适的工步切料。 7. 在图形窗口空白处点RMB,选择显示所有切料冲头草图。 8. 创建如图所示的矩形,按右下图方式拖动,标示如图所示的位置。 9. 在图形窗口空白处点RMB,选择成批创建切料冲头模式。 10. 退出草图模式并点确定继续下一切料冲头特征的设计。 11. 创建如图所示的矩形,完成后从工具条中点快速草绘 ,标示所示的寸法。 12. 确认退出草图后点NO完成所有标准切料冲头的设计。 |
QQ 咨询|手机版|联系我们|iCAx开思网
( 粤ICP备2025491344号-1 ) 
GMT+8, 2025-12-29 11:14 , Processed in 0.030691 second(s), 9 queries , Gzip On, Redis On.
Powered by Discuz! X3.3
© 2002-2025 www.iCAx.org