利用已有的系列零件设计表(步骤13-24)
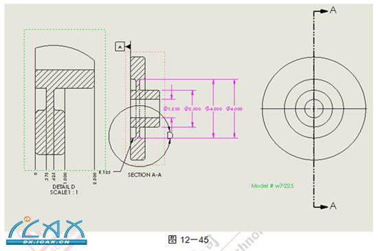
步骤13 添加基准特征符号 选择剖面视图最左侧的竖直线,插入一个标为A的【基准特征】,如图12-38所示。 单击【确定】,结果如图12-39所示。 步骤14 在局部视图中标注尺寸链尺寸 单击【尺寸】/【关系】工具栏上的【水平尺寸链】 选择最左侧的零件连线。在合适的地方单击左键放置“0”尺寸。单击其他需要标注的竖直边线,这样尺寸链尺寸将会自动放置在工程图中,如图12-40所示。 步骤15 激活工程视图 注释与工程图是相互关联的,所以在创建注释前应该双击工程视图,使其处于激活状态。 步骤16 插入注释 单击注解工具栏上的【注释】 。在PropertyManager中,在【引线】下单击【无引线】 ,创建一个没有引线的注释。 在视图下部单击左键,输入:Model# ,如图12-41所示。 步骤17 设置链接到属性 在【注释】的PropertyManager中,单击【链接到属性】 。如图12-42所示,进行如下设置。 选择【注解所附加于的视图的模型】选项,从下拉列表框中选择【SW-配置名称】,单击【确定】。 步骤18 设置字体 如图12-43所示,选择11号字体,并选择【居中】,单击【确定】。 步骤19 显示属性的文字 注释显示了属性的值,即现在的属性名称。 这是完整注释的“所见即所得”的显示,如图12-44所示。 步骤20 修改配置 右键单击Drawing View1,从快捷菜单中并选择【属性】。在模型视图的PropertyManager中,单击【更多属性】。在【配置信息】中,从列表中选择w8-3。单击【确定】。 所有3个视图都会被更新来反映新选中的配置。尺寸也会被更新反映模型大小的改变。 注释的文字也被更新,表示当前的配置名称。修改后的配置如图12-45所示。 步骤21 添加模型视图 单击工程图工具栏上的【模型视图】 。 在上视图中单击视图模型,确定在视图中显示哪个模型。 在【视图方向】列表中选择等轴测,并在工程图上放置模型。在视图属性中选择awaycut配置,结果如图12-46所示。 步骤22 修改区域剖面线 选择等轴测视图中两个被切开的表面。 单击【区域剖面线/填充】 ,弹出【区域剖面线/填充】对话框。如图12-47所示,修改剖面线的类型,然后单击【确定】。 步骤23 编辑剖面线样式 在左侧的区域剖面线区域单击右键,从快捷菜单中选择【属性】。将【角度】修改为90°,单击【确定】。 这时区域剖面线看上去更舒服,如图12-48所示。 步骤24 插入系列零件设计表 由于一个工程图可能包括不同模型的视图,因此用户需要确定插入哪个零件的系列零件设计表。 单击需要的【系列零件设计表】 ,系列零件设计表将显示在工程图的左上角。将其拖动到合适的位置。系列零件设计表如图12-49 |
QQ 咨询|手机版|联系我们|iCAx开思网
( 粤ICP备2025491344号-1 ) 
GMT+8, 2025-12-28 02:08 , Processed in 0.034383 second(s), 8 queries , Gzip On, Redis On.
Powered by Discuz! X3.3
© 2002-2025 www.iCAx.org