创建螺纹标注
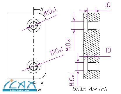
5.63 创建螺纹标注1:打开\Training Part\Drafting\ Dimension Thread .CATDrawing文件,单击标注(Dimensioning)工具栏里的螺纹标注 (Thread Dimension)指令  ,依次选择正视图(Front view)里的螺纹特征线,标注螺纹尺寸。如下图: 2:再次单击标注(Dimensioning)工具栏里的螺纹标注 (Thread Dimension)指令,选择剖面视图(Section view A-A)里的螺纹特征线,标注螺纹尺寸。如下图: |