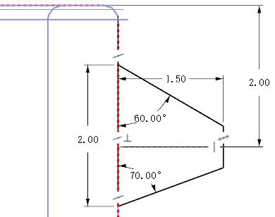
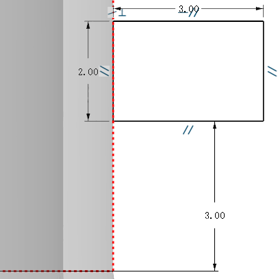
在瓶子设计的上篇教程中,我们已经学会了如何用中望3D进行瓶身的建模设计,那么本文将继续延续上篇的内容,向大家介绍下如何用中望3D,完成整个瓶子的设计工作。 如下图所示,这就是上篇中我们所获得的瓶身效果。 图1 瓶身的效果图 那么接下来我们将继续后续的细节设计工作: 第一步:斑马线检测 使用“分型面”进行斑马线的曲面检查。 图2 斑马线曲面检查的效果图 第二步:抽壳 抽壳厚度为“-1mm”。 图3 抽壳效果图 第三步:瓶口倒圆角 倒圆0.2mm 图4 倒圆角效果图 第四步:螺牙草图 以工作平面“XZ”为基准面创建螺牙草图,具体尺寸如下图: 图5 螺牙草图 第五步:瓶口螺纹 瓶口的螺纹在这个设计里是一个难点,尤其是螺纹的收尾,使用中望3D,可以一个命令全部完成这些设计操作。 使用螺牙草图创建瓶口螺纹。 匝数:4 距离:-5 半径:10mm 图6 创建螺纹的设置界面 图7 螺纹创建效果 第六步:肩部草图 以工作平面“XZ”为基准面创建肩部草图,具体尺寸如下图。 图8 创建肩部草图 第七步:肩部旋转 使用肩部草图创建肩。 图9 肩的创建效果 第八步:肩部倒圆 倒角0.2mm 图10 肩部倒圆效果 第九步:材质贴图 使用“鉻”命令,选择文件夹下的JEPG图片“display1”。 图11 根据display1贴图后的效果 第十步:背景贴图 启用“背景图片”,选择文件夹内的“Ground.bmp”,“显示方式”选择为“延伸”。 图12 背景图片设置界面 经过上述的各项步骤,即可获得我们教程开始时所展示的瓶子效果了。 图13 完成瓶子设计 通过这两篇实例教程的解析,相信大家对使用中望3D进行瓶子设计,以及设计过程中涉及到的相关思路、功能点的作用等,都有新的认识,希望能对大家有所帮助。 关注中望3D官网的【实例教程】模块,即可下载本实例的操作视频以及对应的练习文档,快来学习吧: //www.zw3d.com.cn/service/list-109.html 三维CAD设计软件中望3d免费下载://www.zw3d.com.cn/product-58-1.html |
QQ 咨询|手机版|联系我们|iCAx开思网
( 粤ICP备2025491344号-1 ) 
GMT+8, 2026-5-30 07:34 , Processed in 0.030600 second(s), 9 queries , Gzip On, Redis On.
Powered by Discuz! X3.3
© 2002-2025 www.iCAx.org