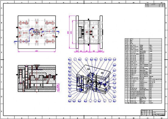
第三部分:输出二维工程图 总装图 新建一个绘图档案。 在特征树中对图框进行设置。 在图框设置对话框中我们选择 A0 图框,A0 的标准图框即显示在视图区域内。用户也 可以使用自行定制的图框标题栏。 试图视角应在创建视图前通过特征树的绘图标准设定。本例中我们选用 ISO 标准,这 个标准中的视角为第一视角。 点击生成视图按钮,开始创建三视图。 编辑相关视图参数。 选择装配文件 可以根据用户需要选择 显示或不显示某些零件 选择视图方向 选择视图比例 第一张视图即被创建完成。 创建一条剖视线,用以后续生成剖视图。 选择剖视线生成剖视图,选择俯视图生成左视图。再创建轴侧剖视图。 使用自动中心线、中心线和尺寸标注等指令完善图面。 创建 BOM 表及球标 在这张总装图中创建一张 BOM 表,即明细栏。 点选 BOM 按钮,编辑弹出的 BOM 表编辑器,选择要显示在 BOM 表中的内容。再以 轴侧视图为基础创建球标,完成得到下图: 型腔图面 参考总装图的生成步骤创建型腔的二维图面。 型芯图面 参考型腔图创建型芯的二维图面。 第四部分:型芯、型腔的 NC 编程 CimatronE 作为 CAD/CAM 领域优秀的集成化软件,同样为用户提供了工程图模块。现 在就之前模具分别输出总装图及型芯、型腔的二维图,并在总装图中建立 BOM 表。 总装图 新建一个绘图档案。 |
QQ 咨询|手机版|联系我们|iCAx开思网
( 粤ICP备2025491344号-1 ) 
GMT+8, 2026-5-30 08:28 , Processed in 0.033281 second(s), 9 queries , Gzip On, Redis On.
Powered by Discuz! X3.3
© 2002-2025 www.iCAx.org