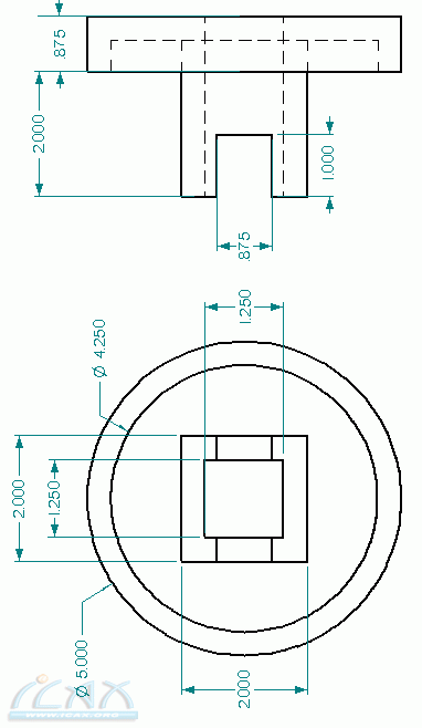
简介 本章节包括了用于建模练习的附加零件。您可以在 Solid Edge 中使用各种不同的命令,采用多种不同的方式创建本章节中的各个零件。创建零件的方法并不存在正确与否之分。请试用各种命令和选项来尽可能多地了解各命令。各零件的正等测图可让您更好地了解成品零件的外观。还有一些主视图包含创建零件所需的尺寸。包含的尺寸可能会多于图纸上所需要的尺寸。 基座板 承载块 A 承载块 B |
QQ 咨询|手机版|联系我们|iCAx开思网
( 粤ICP备2025491344号-1 ) 
GMT+8, 2026-2-11 18:49 , Processed in 0.044405 second(s), 13 queries , Gzip On, Redis On.
Powered by Discuz! X3.3
© 2002-2025 www.iCAx.org