找回密码 注册 QQ登录
开思网工业级高精度在线3D打印服务

iCAx开思网

[ST4自学培训] 12、通过项目进行技能练习

2012-2-25 10:48| 查看: 47685| 评论: 0|来自: Solid Edge

摘要: 简介本章节包括了用于建模练习的附加零件。您可以在 Solid Edge 中使用各种不同的命令,采用多种不同的方式创建本章节中的各个零件。创建零件的方法并不存在正确与否之分。请试用各种命令和选项来尽可能多地了解各命 ...
滑动挡板



槽孔链节



旋转板




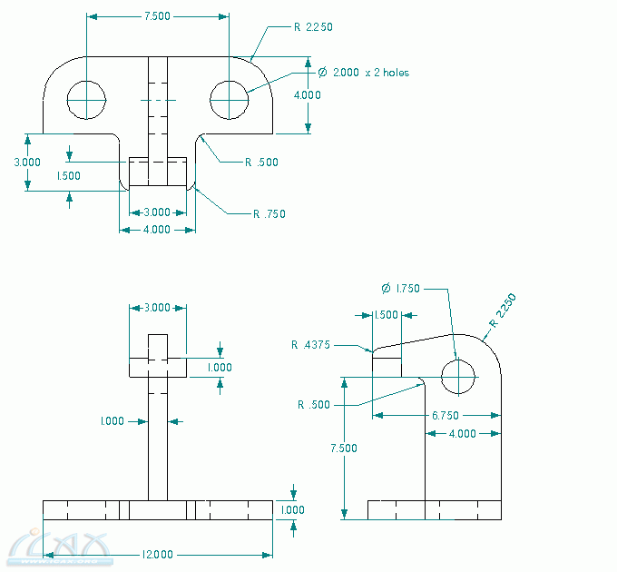
耳轴平板


1

赞一下!

刚表态过的朋友 (1 人)

相关阅读

3D打印手板模型快速制作服务,在线报价下单!

QQ 咨询|手机版|联系我们|iCAx开思网 ( 粤ICP备2025491344号-1

GMT+8, 2025-12-28 08:38 , Processed in 0.055624 second(s), 9 queries , Gzip On, Redis On.

Powered by Discuz! X3.3

© 2002-2025 www.iCAx.org

返回顶部