尺寸标注
Angle Between(夹角)命令
添加一个测量元素或者关键点夹角的尺寸标注。
在选择元素或者关键点时,尺寸标注放入四个象限中的某一象限。随着光标的移动,尺寸标注动态地进入另一个象限。在添加角度尺寸标注时可采用基准标注(A)连续标注(B)。
还可向现有的尺寸标注组添加角度尺寸标注。

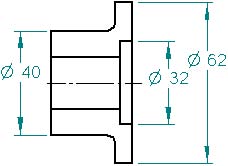
Symmetric Diameter(对称直径)命令
添加一个测量中心线与另一个元素或者关键点间距的尺寸标注,将该距离乘以2,然后显示直径值。该命令必须以中心轴线为起点。如果视图中没有中心线,必须在使用该命令之前创建一条。可在尺寸标注组中添加测量元素对称直径的尺寸标注。
还可向现有的尺寸标注组添加其他对称直径尺寸标注。

Chamfer Dimension(倒角尺寸标注)命令
在倒角上添加一个尺寸标注。倒角尺寸标注的第一个值是投影线长度。倒角尺寸标注中的第二个值是第二条直线与水平轴相对于第一条直线的角度。

Dimension Axis(尺寸轴线)命令
为某一张图纸或者在3D模型中添加PMI元素设置一条尺寸轴线。
尺寸轴线可用于添加与元素垂直或者平行的尺寸文本和尺寸标注。
• 图纸中的默认轴线垂直于或者平行于图纸页的水平轴线。沿着默认轴线添加的尺寸标注类似于下图:

• 在添加PMI时,装配、零件或者钣金3D模型中的尺寸轴线是选定元素在尺寸标注平面上的投影。
使用Dimension Axis(尺寸轴线)命令设置尺寸轴线之后,您可使用Coordinate Dimension(坐标尺寸)和Distance Between(间距)命令添加垂直或者平行于尺寸轴线的尺寸标注。
注:
在添加尺寸标注时,也可使用命令栏上的Dimension Axis(尺寸轴线)选项设置尺寸标注。
|