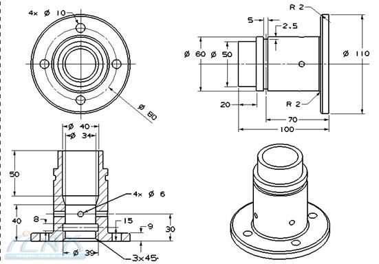
径面法:实战4_在圆周面上作孔。 作下图的回转类零件。 A.作草图,作回转体。 B.作过此回转体轴线的基准面.在草图中作圆来径向定位。 C.用基准面和草图中圆的交点来定位作出直径为10的轴向孔。 D.对孔进行阵列后,用直线过圆心连接两孔。 |
QQ 咨询|手机版|联系我们|iCAx开思网
( 粤ICP备2025491344号-1 ) 
GMT+8, 2025-12-27 20:56 , Processed in 0.036721 second(s), 9 queries , Gzip On, Redis On.
Powered by Discuz! X3.3
© 2002-2025 www.iCAx.org