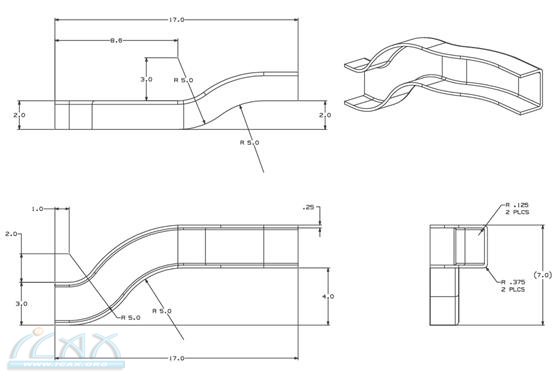
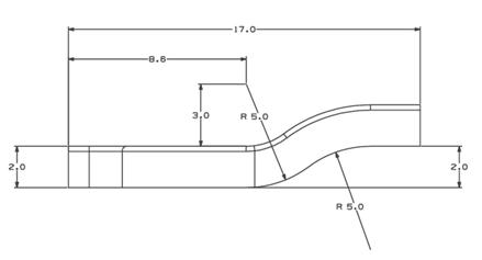
正交法_实战4:排屑槽的建模 建立如下的排屑槽。 A:根据主视图建立如下草图 显然此三视图采用的是第三角投影 主视图可构建在XC-YC平面内 利用草图中的偏置命令,完成草图后如下图所示. |
QQ 咨询|手机版|联系我们|iCAx开思网
( 粤ICP备2025491344号-1 ) 
GMT+8, 2025-11-10 22:05 , Processed in 0.039963 second(s), 11 queries , Gzip On, Redis On.
Powered by Discuz! X3.3
© 2002-2025 www.iCAx.org