找回密码 注册 QQ登录
开思网工业级高精度在线3D打印服务

iCAx开思网

[NX 二般建模法:中面法] 实战5:方体基座

2012-5-2 11:43| 查看: 41108| 评论: 0|原作者: 胡永冬|来自: 通力凯顿

摘要: 中面法_实战5:方体基座。此例说明,若不对称,也能成功。A.根据中位面构图。B.拉伸底面体。C.拉伸左端面。采用设计逻辑中的公式建立尺寸关联. 如下图,p8为拉伸的结束值拉伸开始值为p8,结束值为p8-5D.根据底面,拉伸 ...
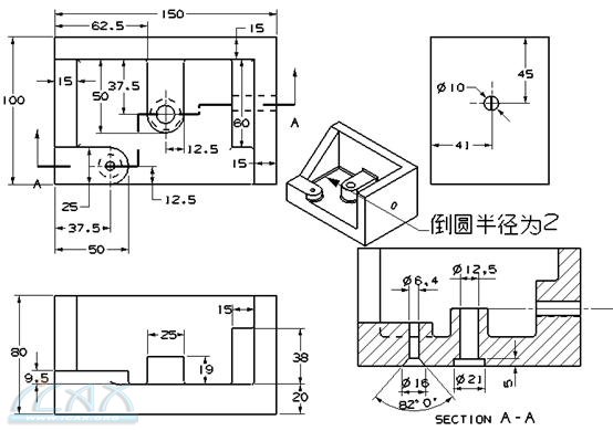
中面法_实战5:方体基座。
此例说明,若不对称,也能成功。

A.根据中位面构图。

B.拉伸底面体。

C.拉伸左端面。
采用设计逻辑中的公式建立尺寸关联.

123下一页
5

赞一下!

刚表态过的朋友 (5 人)

相关阅读

3D打印手板模型快速制作服务,在线报价下单!

QQ 咨询|手机版|联系我们|iCAx开思网 ( 粤ICP备2025491344号-1

GMT+8, 2026-2-11 07:28 , Processed in 0.030886 second(s), 9 queries , Gzip On, Redis On.

Powered by Discuz! X3.3

© 2002-2025 www.iCAx.org

返回顶部