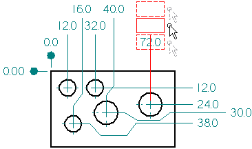
尺寸类型 线性尺寸测量直线的长度或两个点或元素之间的距离。您可以使用“坐标”、“间距”、“智能尺寸”和“对称直径”命令来放置线性尺寸。 角度尺寸测量直线的角度、圆弧的扫过角度,或者两条或更多条直线或两个或更多个点之间的角度。您可以使用“夹角”和“智能尺寸”命令来放置角度大小。 半径尺寸测量诸如圆弧、圆、椭圆或曲线之类的元素的半径。您可以使用“智能尺寸”命令来放置半径尺寸。 直径尺寸测量圆的直径。您可以使用“智能尺寸”命令来放置直径尺寸。 坐标尺寸测量从公共原点到一个或多个关键点或元素的距离。 可以使用 Solid Edge 中的以下命令来放置尺寸: 智能尺寸命令 间距命令 夹角命令 坐标尺寸命令 角坐标尺寸命令 对称直径命令 倒斜角命令 尺寸的组成如下: (A)投影线 (E)折线 (B)尺寸线 (F)符号 (C)尺寸值 (G)连接线 (D)端符 坐标尺寸 可以使用“坐标尺寸”命令和“角坐标尺寸”命令来放置尺寸,这些尺寸是从公共原点到一个或多个关键点或元素的距离测量值。 可以按任意次序,在原点的任意一侧放置坐标尺寸。也可以添加、移除和修改尺寸线上的折线,以便于定位所有尺寸。 参考公共原点的坐标尺寸是坐标尺寸组的成员。 放置坐标尺寸 要放置坐标尺寸,首先选择一个原点元素以建立测量起始点 (A),然后放置原点符号 (B)。 随后选择一个远离原点的元素作为测量终止点 (C),然后定位尺寸 (D)。 该尺寸测量从原点元素到测量终止元素的距离。 为了能更轻松准确地对齐一组坐标尺寸的尺寸文本,若干内置的抓取对齐位置允许在放置或修改坐标尺寸时对齐文本。 通过将坐标尺寸组中的任意尺寸选择为原点,然后选择要标注尺寸的附加元素,可以将附加的坐标尺寸添加到现有的坐标尺寸组中。 移动坐标尺寸组 在“工程图”环境中,可以通过在原点符号上拖动跟踪点来移动一组坐标尺寸。选择原点,将光标定位在跟踪点上,然后将该组拖到新位置。 放置带有二次折弯的坐标尺寸 要在放置坐标尺寸时添加一个或多个二次折弯,请首先选择要标注尺寸的元素,按住 Alt 键,然后单击以添加二次折弯。例如,要按如下所示放置 12 毫米的尺寸标注,应当首先将圆选为要标注尺寸的元素 (A),然后按住 Alt 键并单击点 (B)、(C) 和 (D) 以添加二次折弯。然后松开 Alt 键,单击点 (E) 和 (F) 完成尺寸的放置。 将二次折弯添加到坐标尺寸 要将二次折弯添加到现有的坐标尺寸中,请使用“选择工具”选择一个坐标尺寸 (A)。 将光标定位在要插入二次折弯的尺寸线上 (B)。按住 Alt 键并单击 添加两个顶点和一个二次折弯段 (C)。可以通过拖动顶点手柄来修改二次折弯 (D)。也可以通过拖动二次折弯段来修改二次折弯。 为更易于放置有多个二次折弯的坐标尺寸,当最后的尺寸线段 (A) 与第一个尺寸线段 (B) 对齐时,光标将抓取对齐。 修改二次折弯的坐标尺寸 可以通过拖动二次折弯顶点 (A) 和 (B) 或拖动二次折弯段 (C) 来修改坐标尺寸上的二次折弯。 拖动时,每个二次折弯顶点的修改行为是不同的。例如,当拖动离尺寸文本最远的顶点时(A),更改二次折弯段的位置。当拖动离尺寸文本最近的二次折弯顶点时 (B),更改二次折弯段的角度。 当拖动二次折弯段时 (C),也更改二次折弯段的位置。 将坐标尺寸与栅格对齐 使用内置对齐位置放置坐标尺寸后,如果已超出内置对齐位置的数目,则可以使用栅格调整其对齐情况。要激活栅格,请选择“工具”→“栅格”命令,然后设置“对齐栅格”选项以使用栅格线或点。 如果已添加二次折弯,则可以使用“对齐栅格”来修改二次折弯句柄的位置。 从坐标尺寸中移除二次折弯 在“工程图”环境中,可以使用“尺寸“命令条上的“微动”按钮删除坐标尺寸上的所有微动。使用“选择工具”选择坐标尺寸,然后单击此命令条上的“微动”按钮。 也可以使用“选择工具”和 Alt 键从坐标尺寸中移除单个二次折弯。选择坐标尺寸,然后将光标定位在要移除的二次折弯的顶点上。 适合类尺寸 由于孔和轴之间的合适公差规格是零件的设计和制造过程中的一个常见且重要的方面,因此国际标准体已经为孔和轴的“限制”和“适合”建立了基于规则的公差系统。 术语孔和轴也可以视为表示任何零件的两个平行面之间的空间,如槽宽度、键厚度等。标准只包含距离尺寸。标准不适用于角度尺寸。 Solid Edge 提供 ASCII 文本文件,您可以使用此文件自动定义尺寸(已使用尺寸命令条将该尺寸的类型设置为“类”)的限制或适合。 “类”尺寸显示选项 将尺寸显示类型设置为“类”时,可以选择多种方法之一来显示尺寸的限制或适合。 (任何用户定义的文本均有效) 适合类 ASCII 文本文件 有三种 ASCII 文本文件可用于提供对 ANSI 和 ISO 适合类尺寸标准的支持: SE-LimitsAndFitsTableANSIinch.txt SE-LimitsAndFitsTableANSIMetric.txt SE-LimitsAndFitsTableISO.txt 默认情况下,这些文件位于 Solid Edge Program 文件夹中。可以使用“选项”对话框中的“文件位置”选项卡指示 Solid Edge 在不同文件夹(包括网络中其他计算机上的文件夹)中查找这些文件。 注释: 如果要编辑这些文件,请在卸载 Solid Edge 之前,保存这些文件的副本。 控制零值公差的显示 当放置显示公差的适合类尺寸时,可以设置尺寸样式中的选项以抑制显示零值公差。 “文本”页中的“抑制显示 0.0 值以自动适合公差”选项可以控制是显示还是隐藏零值公差。 可以使用“属性”命令为个别尺寸设置此选项,或者使用“样式”命令为所有尺寸设置此选项。 |
QQ 咨询|手机版|联系我们|iCAx开思网
( 粤ICP备2025491344号-1 ) 
GMT+8, 2025-11-14 17:21 , Processed in 0.038813 second(s), 11 queries , Gzip On, Redis On.
Powered by Discuz! X3.3
© 2002-2025 www.iCAx.org