创建展平图样
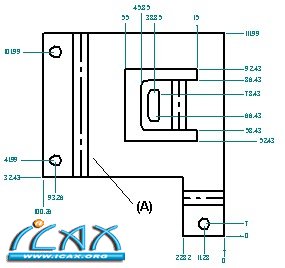
操控钣金几何体 在构造钣金零件之后,您可能需要创建零件的展平图样以供制造之用。 展平钣金零件 构造钣金零件后,您可以使用“展平”和“另存为展平图样”命令来创建钣金零件的展平图样。 使用“展平图样”命令 在“钣金环境”中使用“工具”选项卡→“展平”组→“展平”命令在与成形钣金零件相同的文件中创建展平图样。 在使用“展平”命令展平钣金零件时,“展平图样”特征将添加到“路径查找器”选项卡中。 如果钣金模型发生变化,展平图样也会过时。这是通过“路径查找器”中“展平图样”特征旁边的符号指示的。要更新展平图样,请选择“路径查找器”中的“展平图样”特征,然后在快捷菜单中单击“更新”。 使用另存为展平图样命令 另存为展平图样命令允许将钣金零件展平并将该零件保存为下列文档类型之一: 零件文档 (.par) 钣金文档 (.psm) AutoCAD 文档 (.dxf) 注释: 当您使用“保存为平直”命令时,压平零件的文档不与弯折型零件的文档相关联。 可根据以下各项创建展平图样定义: 现有展平图样 折叠模型状态 选择“Solid Edge 选项”对话框的“展平图样处理”页上的“使用现有展平图样”(如果未定义,则为“使用折叠模型”)选项,根据现有的展平图样创建展平图样。保存展平时,将包括您在展平图样环境中添加或删除的任何材料。如果不存在任何展平图样,则使用折叠模型来定义图样。 选择“Solid Edge 选项”对话框的“展平图样处理”页上的“使用折叠模型”选项,基于折叠模型状态(即使已存在展平图样)创建展平图样定义。保存展平时,将排除您在展平图样环境中添加或删除的任何材料。 最小折弯半径 为了便于创建展平图样,Solid Edge 总是为弯边、轮廓弯边和倒角创建最小折弯半径,甚至在您指定折弯半径值为零 (0.00) 时也是这样 (0.00)。 对于公制文档,值为零的折弯半径将被设置为大约 0.002 毫米的值。对于英制文档,值为零的折弯半径将被设置为大约 0.0000788 英寸的值。如果您需要刚好为零的折弯半径,则必须在“零件”环境中创建特征。 清除展平图样 当展平钣金零件时,系统将折弯止裂口添加到展平图样。该系统生成的折弯止裂口可能会对下游制造过程产生问题,比如,冲孔和嵌套。在“钣金”环境中工作时,可设置“选项”对话框的展平图样处理页上的选项,以自动清除展平图样。 “展平图样处理”选项卡上的选项可控制角处理,将模型中的 B 样条简化为弧和直线,还可移除系统生成的折弯止裂口。 如果您在生成展平图样后更改此选项卡上的选项,则会对展平图样进行重新计算或更新。 管理展平图样大小 使用“展平图样选项”对话框可设置最大展平图样大小,如果违反该大小,则发出警告。如果由于图纸大小限制的原因而不能制造某一零件,那么这一功能十分有用。 对话框的“当前”部分显示当前展平图样的长和宽。这些值为只读值,不可手工更改。当平直模型中的值更改且当模型更新时,这些值将会更新。“警报”部分允许您指定展平图样的最大长度值和宽度值。可以指定最大长度和/或最大宽度。可以键入这些值,也可以使用“选项”对话框的展平图样处理页中所指定的默认值。如果展平图样违反这些大小限制,那么系统将在“路径查找器”中的展平图样条目旁边显示一个警报图标。如果将光标暂停在展平图样条目上,那么工具提示将显示当前的展平图样大小以及最大大小的限制。 可以使用“显示剪切大小范围”和“尺寸”选项来显示展平图样的范围框以及展平图样当前长与宽的尺寸。创建展平图样时,系统将确定陈列的大小,更新平直模型时,系统将重新计算其大小。 展平变形特征 如果您在使用“展平”和“零件副本”命令展平一个零件后想要删除变形特征,则您可以构造一个剪裁特征,它的大小按变形特征占用的面积确定。很多情况下,您可以使用“包括”命令来创建一个剪裁轮廓,将其相关地链接到变形特征的边缘。以后,如果变形特征发生更改,则剪裁也将更新。此方法可维持变形特征的真实位置,这对于创建后续制造文档是很有用的。 另外,在展平零件之前或之后您可以使用命令条上的命令删除变形特征。例如,您可以使用“删除面”命令删除变形特征。变形特征并未从零件中真正删除,它在“钣金”环境中仍可用。使用此方法,零件的展平版本中的变形特征位置将丢失。 在展平图样中显示变形特征 可以使用展平图样处理页的“成形特征显示”部分中的选项来指定在展平图样中如何显示变形特征。 可以将变形特征按成形特征、 特征环、 特征原点、 或特征环和特征原点显示。 将变形特征保存至其他文件 展平图样处理页的“成形特征显示”部分指定在使用“另存为展平图样”展平钣金模型并将其保存至其他文档时导出变形特征的方式。 在将文档保存为 .prn 或 .psm 格式时: 成形特征用大小为特征所占用面积的剪裁替换变形特征。 特征环用曲线替换表示变形特征的环。 特征原点不导出变形特征或特征原点。 特征环和特征原点用曲线替换表示变形特征的环,并且不会导出特征原点。 在将文档保存为 .dxf 格式时: 变形特征用 2D 线框表示替换变形特征(如同它们在变形条件下的显示)。 特征环用曲线替换表示变形特征的环,并且被指定为向上或向下特征。 特征原点不导出变形特征或特征原点。 特征环和特征原点用曲线替换表示变形特征的环,并且被指定为向上或向下特征。不导出特征原点。 展平倒角 只能展平由平面、部分圆柱体和部分圆锥体组成的倒角。而不能展平包含直纹面的倒角。构造的几何结构的类型取决于您绘制轮廓的方式。 倒角是通过在对应轮廓元素之间映射面构造的。例如,映射轮廓线 A1 和 B1 将构造平面,而映射轮廓圆弧 A2 和 B2 将构造圆锥面。 如果两个轮廓具有相同数目和类型的元素,并且第一个轮廓上的每一个元素都映射至第二个轮廓上元素类型相同的元素(线对线,圆弧对圆弧),则大多数情况下都能够将其展平。 直纹面示例 不能展平任何包含直纹面的倒角。下列示例描述何时构造的是直纹面: 构造了一个面,其中,直线 A1 的角度与直线 B1 不同. 构造了一个面,其中,圆弧 A2 的起始角或夹角与圆弧 B2 不同。 使用一个圆弧和一条直线构造了一个面。 注释: 如果放样弯边包含导致不能压平该弯边的面,则在“路径查找器”选项卡上,该特征旁边会显示一个灰色箭头。如果将光标暂停在“路径查找器”中的该特征上,状态栏会显示一条描述该问题的消息。 展平图样中的 PMI 尺寸 创建展平图样后,PMI 尺寸将作为从动尺寸放置。换言之,在展平图样中,这些尺寸仅供参考并且不能更改。如果在展平图样中选择了 PMI 尺寸,则将禁用尺寸编辑控件上的所有字段。如果对模型进行了更改,则当展平图样更新时,PMI 尺寸也会更新。 向展平图样中添加材料 可以使用薄片命令向展平图样中添加材料。 在展平图样中创建的任何选项卡都放置在“路径查找器”的展平图样节点中。添加到展平图样的任何材料都只以展平图样状态显示。折叠模型将不反映材料添加。 将钣金文件保存为 AutoCAD 文档 (.dxf) 当您将钣金零件保存为 AutoCAD 文档 (.dxf) 时,它被保存为二维的。同线及同心圆弧合并为单一元素,折弯线则作为线框体添加。 使用图层来分隔各种类型的信息,如折弯、变形特征和边。并且,使用一个层方案来定义存储在不同层上的信息。 默认边或法向边将保存到名为 Outer_Loop 和 Interior_Loops 的层中。弯边、轮廓弯边、倒角、突出块、剪裁和钣金剪裁中的所有边都放在这些层上。这些层可以包含可见的及隐藏的边。 下折弯中心线被保存到名为 DownCenterlines 的层上。这个层包含相对于所选输出面而言方向朝下的所有线性及圆锥形折弯的折弯中心线。这些线条是在展平过程中生成的,而在模型中不存在。与下折弯中心线相关联的线条样式可以保存到该层。 上折弯中心线被保存到名为 UpCenterlines 的层上。这个层包含相对于所选输出面而言方向朝上的所有线性及圆锥形折弯的折弯中心线。这些线条是在展平过程中生成的,而在模型中不存在。与上折弯中心线相关联的线条样式可以保存到该层。 下折弯上的变形特征被输出至名为 DownFeatures 的层。这个层包含相对于所选输出面而言方向朝下的所有变形特征的边。这个层可以包含可见的及隐藏的边。 上折弯上的变形特征被输出至名为 UpFeatures 的层。这个层包含相对于所选输出面而言方向朝上的所有变形特征的边。这个层可以包含可见的及隐藏的边。 创建展平图样图纸 您可以在“工程图”环境中创建已展平的钣金零件的图纸。在创建展平图样图纸时,可以应用特殊模板。这个模板显示相切边,因此,代表折弯边缘的线条 (A) 显示在图纸中。 要应用该模板,必须运行图纸视图向导并将图纸视图创建向导第一页上的“零件和钣金图纸视图”选项设置为展平图样。 也可以在使用其他模板创建的图纸中显示相切边。请使用“Solid Edge 选项”对话框中的“边显示”选项卡。 使用展平命令创建的展平图样包含图纸视图中用来创建折弯中心线的所有折弯中心线信息。 在草图中,还可以使用“按两条线”选项和“中心线”命令向折弯 (A) 添加中心线。 指定折弯选项 在零件、钣金和工程图中,您可以使用“注释”页面(“Solid Edge 选项”对话框)中的选项执行以下操作: 为“向上”、“向下”和“未定义”折弯定制折弯方向字符串。 为向上折弯中心线和向下折弯中心线创建和指派独立样式。 指定展平图样图纸视图中的哪个零件面是顶面。默认情况下,会从展开钣金零件时被指定为顶面的面派生折弯方向。在草图中,可以使用“从图纸视图派生折弯方向”选项使模型折弯方向保持与展开的图纸视图正确对齐。 更新展平图样图纸 当对折叠型钣金零件进行设计更改时,您首先需要更新相关联的展平型零件,然后更新展平的图纸才能看到更改。当您打开展平型零件的文档时,会有一个过时符号显示在“路径查找器”选项卡中的基本特征旁边。要更新展平型零件,请在“路径查找器”中选择展平图样条目,然后使用快捷菜单中的“更新”命令。 当您打开展平型零件的图纸时,每个图纸视图都会被一个方框框住,指示它们已过时。要更新图纸视图,可使用更新视图命令。 在图纸中放置折弯表 一旦在“工程图”环境中创建展平的钣金零件图纸,那么相关联的“折弯表”便可添加到此图纸中。使用“草图”环境中的“折弯表”命令。要了解具体操作方法,请参见与展平图样一起保存折弯数据。 |
QQ 咨询|手机版|联系我们|iCAx开思网
( 粤ICP备2025491344号-1 ) 
GMT+8, 2026-2-12 15:38 , Processed in 0.050065 second(s), 11 queries , Gzip On, Redis On.
Powered by Discuz! X3.3
© 2002-2025 www.iCAx.org